
- Başlık kapatma: 2 adet servo-moto sürüşü
- Voltaj: 220V, 50/60HZ;
- Güç:3.0Kw
- Hava basıncı: 0,5–0,7Mpa
- Amper: 8.5A
- Hız: 40-45/dak (kavanoz şekline ve boyutuna göre özelleştirilmiş)
- Uygun ürün çapı: φ28-φ125mm kapaklar (Standart dışı özelleştirilmiş)
- Bez geçiş oranı: ≥,5 (Kapak ve şişe hatasına bağlı olarak)
- Makine boyutu: 3300*1150mm*1908mm
- Ağırlık: 450kg
Makinenin gücünü açmadan önce. Lütfen güvenlik konuları ve makinenin doğru kullanımı için bu kılavuzu dikkatlice okuyun. Personel kazalarını önlemek ve makine hasarının sıklığını azaltmak için.
Aşındırıcı ürünler söz konusu olduğunda, aşındırıcı nesnelerin makineye ve personele temas etmemesine veya sıçramamasına dikkat edilmelidir.
- Titreşim veya çarpışmanın olabileceği yerlerde makineyi kullanmaktan kaçınınız.
- Makine çalışırken personelin vücudu hareketli parçalara temas etmemelidir.
- Makine aşırı nemli yerlerde bulundurulmamalıdır. Ve güç kaynağına takılıp, topraklama kablosu doğru bir şekilde topraklanmalıdır. Güvenlik kazasını önlemek için.
- Operatör normal fiziksel ve ruhsal durumunu korumalıdır. Eğer alkol, uyku hapı veya ruhsal durumunuza zarar veren diğer uyuşturucuları alıyorsanız, makineyi çalıştırmayı bırakın.
- Operatör, giysinin yuvarlanan parçalara temas etmesi sonucu oluşabilecek yaralanmaları önlemek için uygun kıyafet giymeli ve makine üzerine yabancı cisimler koymamalıdır.
- Kullanım sırasında gürültü veya başka anormallikler meydana gelirse derhal durup kontrol edin. Mühendislik dışı teknisyenler, lütfen makine parçalarını keyfi olarak hareket ettirmeyin.
- Makineyi temizlerken su veya herhangi bir sıvı sıçramasından kaçınarak, elektronik kontrol kutularına veya diğer elektrikli parçalara düzenli (haftada bir kez) bakım ve onarım yapın.
- Lütfen normal çalışma prosedürlerine uygun şekilde çalıştırın ve makinenin yüzeyini temiz ve düzenli tutun.
Kapatma makinesi her türlü kozmetik, ilaç, veterinerlik, pestisit, yağlama yağı ve diğer endüstriyel alanlarda paketleme işleminde uygulanmaktadır.





Kavanoz kapatma makinesinin prensibi ve özellikleri:
- Elektrikli otomatik kontrol, stabildir;
- Kapak konumlandırma cihazı, kilitli kapak standardı ile kullanımı kolaydır;
- Kilit kapağı geniş bir yelpazede olup, kapağın çeşitli şekil ve özelliklerine göre dönebilmektedir;
- Kapatma hızı, sıkma hapsi, aynı zamanda ihtiyaca göre geri sarma sıkılığının ayarlanması da mümkündür.


Kozmetik kavanoz kapatma makinesinin temel parametreleri:

1. Başlık kapatma: 2 adet servo-moto sürüşü
2. Voltaj: 220V, 50/60HZ;
3. Güç: 3.0Kw
4. Hava basıncı: 0,5--0,7Mpa
5. Amper: 8.5A
6. Hız: 40-45/dak (kavanozların şekline ve boyutlarına göre özelleştirilmiş)
7. Uygun ürün çapı: φ28-φ125mm kapaklar (Standart dışı özelleştirilmiş)
8. Bez geçiş oranı:≥,5(Kapak ve şişe hatasına bağlı olarak)
9. Makine boyutu: 3300*1150mm*1908mm
10. Ağırlık: 450kg
Ana Bilgisayar Parçası Açıklaması


Güç anahtarı: Güç kaynağını açık-kapalı olarak kontrol eder.
Güç göstergesi: güç açık-yeşil ışık açık, güç kapalı---yeşil ışık kapalı.
Acil durdurma: Acil durum veya arıza durumunda makineyi hemen durdurmak veya fonksiyonunu sıfırlamak için kullanılır.
1. Fotoelektrik başlatın: Makine çalışırken, fotoelektrik algılama bir şişe olduğunu ve bir kapağı olduğunu algıladığında, döner tabla çalışmaya başlayabilir. İki fotoelektrikten biri algılanmazsa, döner tabla dönmez.
2. Fotoelektrik kökeni: Şişenin kapağa rahatça yerleştirilebilmesi için döner tablanın konumlandırılmasını sağlayan adım motorunu kontrol etmek için kullanılır.
3. Kapak fotoelektriği: Kapağın yerinde olup olmadığını kontrol edin ve fotoelektrik olarak kapak döner tablasının döndüğünü tespit edin.
4. Fotoelektriği örtün: Üst kapak makinasının başlatılıp durdurulmasının kontrol edilmesi, üst kapak makinasından gelen kapak fotoelektrik tarafından algılanan pozisyona sıralandığında fotoelektrik sürekli parlak olur, kapak makinası kapak için durur ve akıllı kapak devreye girer.
5. Kilit kapağı fotoelektrik özelliği: Kapaklı şişe geçtiğinde fotoelektrik algılama gerçekleşir ve kilit kapağı ayarlanan gecikme süresine göre (makine ayarlanırken konveyör bandının hızına göre belirli parametreler ayarlanır) harekete geçer.
6. Kilit kapak sistemi: Kapaklı şişe aynıdır, fotoelektrik başlatma gecikmesi, silindir kelepçe şişesine gecikme, kilit kapağı indirilir, kavrama kapağı - vidalı kapak - tutucu serbest bırakılır - kilit kapağı yükselir - klipsli şişe gevşetilir ve kilit kapağı işlemi tamamlanır. Kilit kapağında, 1# kilit kapağı kilit kapağındayken başka bir şişe girer. Bu sırada 2# kelepçe şişe silindiri hareket eder ve 2# kilit kapağı kapağı kilitlemek için etkinleştirilir. (2# kilit başlığı tarafından kilitlenen kapak 1# klipsli şişeyi geçtiğinde, kilit kapağını tekrarlamayın.

İnsan-makine arayüzü açıklaması

Önyükleme sayfası
3.1 Önyükleme sayfasında İngilizce, Çince işlem seçeneği var, Çince düğmesini seçerseniz aşağıdaki arayüze gireceksiniz:

İkinci arayüz
Durmak: Tüm makinenin çalıştırma düğmesi, bu tuşa dokununca makine otomatik modda çalışır, tekrar bu tuşa dokununca makine durur.
Test kapısı: Makinenin çalışmasını test edin.
Pikap hızı: Hız parametresi ne kadar büyükse hız o kadar hızlı, hız parametresi o kadar yavaştır. (Ancak bunun da bir maksimum sınırı vardır.)
Pikap gecikmesi: Pikap başlangıç süresi ayarlarını, pikabın düzgün çalışma efektine göre ayarlayın.
Gecikme sınırlaması: Döner tabla belirlenen istasyona geldikten sonra, bekleme süresini geciktirerek, silindir eylem kapağını kapatın.
Kapatma süresi: Silindirin kapatılması için gereken süre.
Çıktı: Kilit kapağı sayısının kaydını tamamlayın, uygun üretim sayısı. Temizlemek için sıfırlama tuşuna basın.
X1.X3.X14: Fotoelektrik yansımanın çalışma durumunda olup olmadığını kontrol edin, makinenin çalışmasının durumunu kolayca görün,
Kapatma parametresi: Bu tuşa basın ve aşağıdaki arayüze girin:

Arayüz, servo kilit kapak sistemindeki 1 # kilit kafasının her hareketi için ayarlanacak bir parametre sayfasıdır, parametrelerin makul bir şekilde ayarlanması, makinenin stabilitesi ve verimliliğin iyileştirilmesi açısından faydalıdır.
Geri dönmek: İkinci arayüze dönmek için bu butona basın.
G/Ç: Aşağıdaki arayüze girmek için bu butona basın:

X serisi puanları: Fotoelektrik cihazın çalışır durumda olup olmadığını tespit etmek için giriş noktasıdır, makinenin çalışmasını görmek kolaydır, bakımı kolaydır.
Y serisi noktaları: Yürütücü bileşenlerin normal geribildirim durumunun çıkış noktasıdır, ayrıca yürütme bileşenlerinin normal olup olmadığını test etmek için kontrol tuşuna manuel olarak basılabilir.
Kapak besleme sistemi: Örtülecek yere göre öngörülen yöne göre istikrarlı ve düzenli olabilir.
Eğim ayarı: Ters kapağın sürgüye tırmanmasını önlemek için makul bir açı ayarlanabilir.
Frekans konvertörü regülasyonu: kapağın hızını kontrol edin.


Kavanoz Kapaklama Ekipmanlarının Bakımı:
1. Güvenliği sağlamak için makineyi güç ve gaz kapalı durumda tutun. Makineyi temiz ve düzenli tutun, makinede ufak tefek eşyalar, aksesuarlar, cıvatalar vb. bulundurmayın.
2. Ve mekanizmanın iyi bir şekilde çalışmasını sağlamak için hareketli parça mekanizmasına düzenli olarak yağlama yağı eklenir.
3. Silindirin doğru kullanımını sağlamak ve servis ömrünü uzatmak için hava filtre ünitesindeki suyu düzenli olarak boşaltın ve yağlama yağı ekleyin.
4. Makineyi düzenli olarak kontrol edin ve onarın. Makinenin iyi çalıştığından emin olmak için ekipmanın çalışma durumunu göz ve kulak yoluyla değerlendirin.
Not: Lütfen talimatlara uygun şekilde kullanın ve bakımını yapın, garanti süresi boyunca açmak ve sökmek kesinlikle yasaktır, aksi takdirde bundan kaynaklanan hasar insan hasarı olarak kabul edilir, ücretsiz onarım yapılmaz. Bu talimat önceden haber verilmeksizin değiştirilebilir; bu makinenin çalışmasıyla ilgili hala herhangi bir belirsizlik varsa, lütfen sorularınız için bizi her zaman arayın
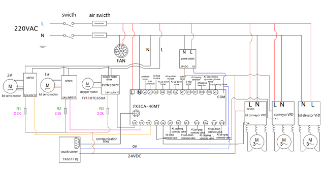
Ekli elektrik şeması:

Kavanoz kapatma makinesi ile tamamlanmış mühürlü kapak örnekleri:





Notlar: kare siyah kavanozlar için kapakları çizilmeye müsait olduğundan, kavanoz kapaklarını tepsilerden çekip kapak kapatma işlemi için kapak takmaya hazır istasyona koymak için bir alma sistemi ile tasarlanmıştır. Ayrıntılı çalışma prensibi aşağıdaki şekilde gösterilmiştir: Çalışma süreci:
1. Kapakları tepsiye manuel olarak yerleştirme (15*15 veya 10*10)

2. Tepsileri hazır alım istasyonuna yerleştirme
3. Kavanozları toplayan robotlar

4. Şişelerin konumlandırılması ve kapatma işleminin tamamlanması
5. Kapaklı kavanoz çıktısı











