
- Kapatma hızı: 15-30 adet/dk
- Anma gerilimi: 110V/60Hz (ABD Standardı)
- Makine Gücü: 0.8KW
- Amper: 2.2A
- Dış boyutlar: 2230*1460*1600 MM (U*G*Y)
- Hava Basıncı: 0,7 MPa
- Ağırlık: Yaklaşık 300 KG
Şişe Kapatma Makinesini Çalıştırmadan Önce Bildirim
1: Makineyi fişe takmadan önce güç anahtarının kapalı konumda olduğundan emin olun ve ardından talimatları izleyin.
2: Makine uzun süre çalıştırılmayacaksa kuru bir bezle silinmeli ve aşındırıcı temizlik maddeleriyle temizlenmemelidir.
3: Makinenin elektrik kutusuna herhangi bir sıvı fışkırtmak kesinlikle yasaktır; aksi takdirde makinenin iç elektrik aksamları korozyona uğrar ve kısa devre meydana gelir.
4: Ekipman ve malzemelerin ambalaj listesine göre model, özellik ve miktarlarını kontrol ederek tasarım ve ürün standartlarına uygunluğunu ve uygunluk sertifikalarını kontrol edin.
5: Ekipmanın görünümünü kontrol ederek herhangi bir deformasyon, hasar ve korozyon olmadığından ve tüm millerin herhangi bir tıkanıklık olmaksızın esnek bir şekilde döndüğünden emin olun.
6: Bu makine tek fazlı AC 110V ile çalışmaktadır ve düz 3 ayaklı güç fişi topraklama kablosu olan güç soketine takılmalıdır.
Teknik Parametreler

- Kapatma hızı: 15-30 adet/dk
- Anma gerilimi: 110V/60Hz (ABD Standardı)
- Makine Gücü: 0.8KW
- Amper: 2.2A
- Dış boyutlar: 2230*1460*1600 MM (U*G*Y)
- Hava Basıncı: 0,7 MPa
- Ağırlık: Yaklaşık 300 KG
Kapak Kapatma Makinesi Detayları:



Makinenin Yapıları

Optik Fiber Elektrik Gözü Açıklama
Şişeleri Algılamak İçin Elektrikli Göz:

Otomatik modda çalıştırıldığında bu elektrikli gözün amacı gelen şişeleri tespit etmektir.
Gelen şişe algılandığında "döner tabla" döner.
Kapak-Teslimat Elektrikli Göz

Otomatik modda çalıştırıldığında bu elektrikli gözün amacı gelen kapakları tespit etmektir.
Gelen kapak algılandığında, malzemeyi almak için "çıkarma mekanizması" yükselir.
Kapak-Teslimat Elektrikli Göz

Otomatik modda çalıştırıldığında: Bu elektrikli gözün amacı gelen şişeleri tespit etmektir.
Gelen şişe algılandığında "kilitli kapak mekanizması" kilitli kapağı aşağı doğru döndürür.
Anahtar Düğmesi ve Kablolama Bağlantı Noktası
Dokunmatik Ekran ve Acil Durdurma

Besleme motoru ve kapak titreşim plakası kontrolörü

Titreşim plakası kontrolörü

Titreşim plakası kontrolörü: Voltajı ayarlayarak boşaltma hızını ayarlayın.
Güç anahtarı ve prizler

Motor kontrolörü

Frekans trafosu: Frekans trafosu butonunu ayarlayarak motor devrini ayarlayın.
Alarm ve Sorun Giderme Yöntemi:
1. Acil durdurma düğmesine basıldı. Makine kapağındaki ve dokunmatik ekranın yanındaki acil durdurma düğmesine basın.
2. Çıkış ayarlanan değere ulaşır. Çıkışı ayarlayın, mevcut çıkışı temizlemek için temizleme düğmesine basın.
3. Kapaklar uzun süre algılanmadığında lütfen kontrol edin. Şişe kapağı indüksiyon fiberinin iyi bir şekilde sağlanıp sağlanmadığını kontrol edin. Kapakların yerinde olup olmadığını kontrol edin.
4. Şişeler uzun süre tespit edilmediğinde lütfen kontrol edin. Şişelerin yerinde olup olmadığını kontrol edin.
Elektrikli Göz Ayarlaması:
Amplifikatör Yapısı

Optik Fiber İçin Diyagram:

1. Optik fiber kilit çubuğu
2. Çalışma durumu göstergesi
3. Ayarla
4. DSC gösterge ışığı
5. Dijital monitör
6. Manuel düğme
7. Genişletilmiş koruma kapağı
8. Genişletme konektörü
9. Güç Seçim Anahtarı
10. Mod düğmesi
11. Çıkış seçici
12. Kablolar
13. Toz koruyucu
14. Değeri ayarla (Yeşil)
15. Mevcut değer (Kırmızı)
Fiber Optik Ayarı İçin Çalışma Süreci
- Elektrikli göz boşluğa düştüğünde kırmızı akım değeri 144'tür.
- Elektrik gözü etikete düştüğünde kırmızı akım değeri 4'tür.
- Ayar değerini, elektrikli gözün gövde kağıdında (algılanacak nesneler arasındaki boşlukta) olduğu değer ile elektrikli gözün kağıt üzerinde olduğu değerin yaklaşık 1/2'si olacak şekilde ayarlayın, ayar değeri (144 4)/2=74'tür, ayar değerini 74'e ayarlamak için manuel düğmeyi kullanın.
- Etiket boşluğunu elektrikli göz konumunda ve kırmızı “sinyal ışığı/gösterge ışığı”nda ileri geri hareket ettirin.
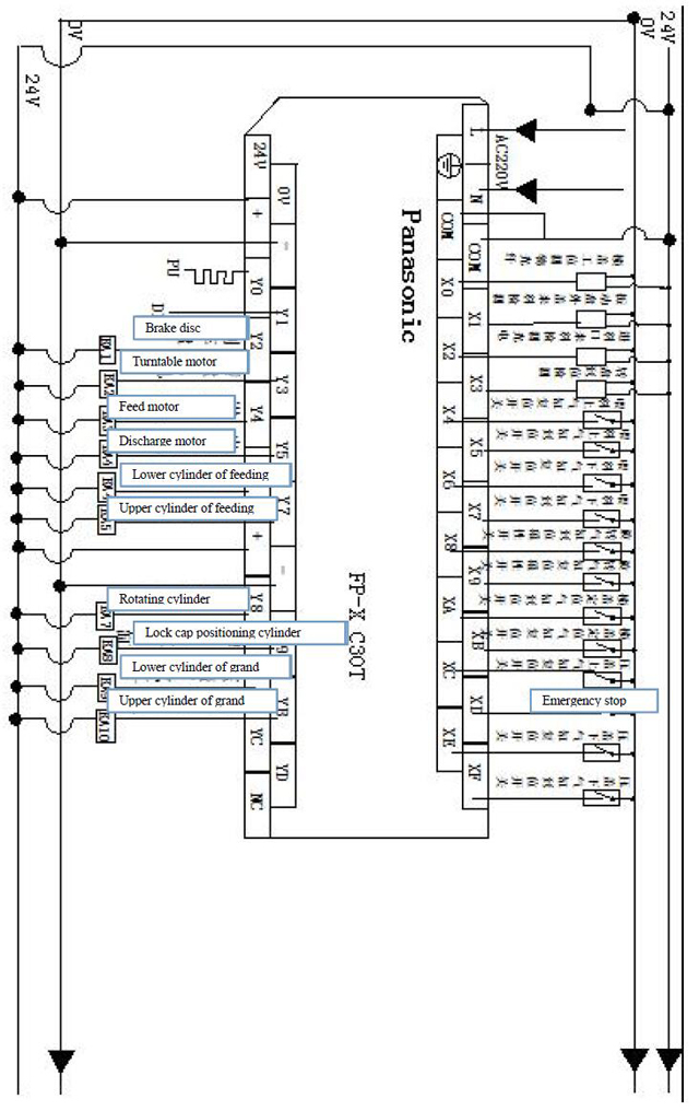
Devre Şeması



Bakım Şişe Kapaklama Makinesi

1. Makinenin uzatılması ve işlevinin en iyi şekilde yerine getirilmesi için makinenin kontrol edilmesi ve bakımının yapılması gerekmektedir;
- Çalışma makinesinin her üç ayda bir bakımı yapılmalıdır;
- Yatak ve dişli aktarma parçası gresle yağlanmalıdır;
- Yağlama işlemi periyodik olarak yapılmalıdır;
- Kızak yağı (N68), alternatif hareket mekanizması veya kaldırma gibi hareketlerde parçaya günde iki kez eklenmelidir;
- Döner veya sallanan parçalara otomobil yağı (N68) eklenmelidir;
- Her yarım ayda bir kam yuvasına gres ekleyin;
- Her ay bir defa yağ memesine gres ilave edilerek;
2. Parçalar, kalıplar gibi yapışmanın yoğunlaştığı yüzeylere metal aletlerle vurmayınız veya kazımayınız.
3. Makine uzun süre çalışmıyorsa şanzıman veya rulman parçası gibi parçaları yağlamak için gres ekleyin; Ayrıca makineye su geçirmez koruma uygulayın.
4. Makineye zarar vermemek için makinenin üzerine hiçbir cisim koymayın.
5. Bileşenlerin içindeki tozu periyodik olarak temizleyin. Ayrıca tüm vidaları kontrol edin ve gevşemiş vidaları düzeltin.
6. Belirli bir zamanda terminallerdeki vidaları kablolama açısından kontrol edin ve vidanın sabitlendiğinden emin olun;
7. Elektrik kutularından gelen gerilmiş kablolama yolunda herhangi bir gevşek istasyon olup olmadığını kontrol edin; parça çok gevşekse, elektrik kaçağına neden olabilecek yalıtım katmanındaki aşınmayı veya hasarı önlemek için vidayı tekrar sıkın.
8. Kolayca aşınan patları kontrol edin ve hasarlı olanları zamanında değiştirin;









