
- VK-BR cam şişe yıkama makinesi
- VK-PF yağ dolum makinası 4 kafa
- VK-VC vakumlu kapatma makinesi
- VK-RPL yuvarlak şişe etiketleme makinesi
Tam otomatik dolum hattı, müşterinin gereksinimlerine ve alıcının sunduğu numunelere göre özelleştirilebilir. Aşağıda, gıda endüstrisi için bu tam otomatik dolum hattı için temel bilgiler listelenmiştir:
Cam Şişeler Hava Yıkama Makinesi Vakumlu Yıkama Ekipmanları
Hava ile otomatik şişe yıkama makinasıdır. Kapasite hava yıkama nozullarına bağlıdır.
Hava kompresörü vakum kabının içindeki havayı, solenoid valf ve iyon jeneratörü vasıtasıyla gaza aktarır, gaz saflaştırılır, trakeal gaz şampuanı gaz yıkama ağzından şişelere gaz üfler, gazın basıncı ile yabancı gazları gaz yıkama ağzından dışarı üfler, geri trakeal egzoz atık gazını emisyon kontrolü yoluyla dışarıya gönderir.

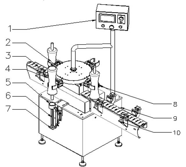
| 1 | Kontrol Paneli | 2 | Şişeler |
| 3 | Biberon kemeri | 4 | Şişe besleme sensörü |
| 5 | şişe sabitleme yapısı | 6 | Durulama enjektörü |
| 7 | Elektrostatik Tüyer | 8 | Şişe sabitleme noktası |
| 9 | Şişelerin çıkışı için bant | 10 | Kılavuz çubuk |
Cam Şişeler İçin Otomatik Döner Hava Yıkama Makinesinin Temel Parametresi:

Modeli: VK-BR
Şişeye uygun: 20-1000ml
Üretim Kapasitesi: 8 temizleme memesi: 3600~4800bph
Hava basınç aralığı: 6~8kg/cm2
Hava tüketimi: 25m3/h
Güç kaynağı: 220V 50/60Hz
Güç tüketimi: 0,75Kw
Tek makine gürültüsü: ≤70dB
Arıtılmış hava: 0,2 μm
Temizleme süresi: 3~5s
Net ağırlık: 350kgs
Genel boyut: 1200 x 800 x 1600 mm
Yağ Dolum Makinesi 4 Kafalı Doğrusal Dolum Makinesi

Mikrobilgisayar kontrollü 4 kafalı zeytin dolum makinası, fotoelektrik ile pnömatik çalışmayı birleştirerek, tarımsal kimyasallar, solüsyonlar, sıvı deterjanlar, kozmetikler ve zeytinin sıvı dolumunda yaygın olarak kullanılmaktadır.
Dolum hacmi hassas, köpüksüz ve sabittir. Makine sıvıyı 25-1000 ml aralığında doldurabilir, bu arada şişelerin şekilleri konusunda özel bir gereklilik yoktur. Yani, normal şişelerin yanı sıra irrugula şeklindeki şişeler için de sıvıyı doldurabilir.

Modeli: VK-PF
Dolum aralığı: 50~3000ml
Dolum hızı: <20-30b/m(500-1000ml sıvı için)
Doğruluk: ±1%
Güç/besleme gücü: 0.8kw、220v
Çalışma basıncı: 5~6kg/cm3
Hava tüketimi: 0,5-0,7mpa
KB: 500kg
Dış ölçüler: 2000×800×1900mm
İşaret: Dolum nozulları, müşterilerin dolum aralığı ve dolum hızı konusundaki gereksinimlerine göre tasarlanıp üretilebilir.
Doğrusal Vakum Kapatma Makinesi Vk-Vc Kavanoz Kapatma Ekipmanı:
Bu doğrusal kapatma makinesi, firmamız tarafından yılların deneyimiyle araştırılıp geliştirilmiştir, yurtiçinde benzersizdir. Entegre otomatik kapatma düzenlemesi, kapatma, vakum kapatma.
Yüksek vakum elde etmek için manuel vakum pompası benimsendi. Şişe yok, kapak yok, kapak olmadığında alarm verme işlevleriyle. Yüksek otomasyonun keyfini çıkarın. Ana pnömatik ve elektrikli parçalar dünyaca ünlü markalardandır.
Kararlı ve güvenilir performansa sahiptir. Konserve gıda, içecek, baharat, sağlık ürünleri vb. endüstrilerinde demir kapaklı cam kavanozların vakumla kapatılmasında yaygın olarak kullanılır.

Güç: ≤2.3KW (vakum pompası dahil)
Üretim kapasitesi: 50-60BPM
Kapak çapı: ¢30-¢55mm ¢50-¢85mm
Şişe yüksekliği: 80-250mm
Şişe çapı: ¢30-¢85mm
Maksimum vakum: -0.08mpa
Kapak burulması: 5-20N.M
Hava tüketimi: 0.6M3/0.7Mpa
Makine boyutları: Yaklaşık 3000×1000×1900mm
Ağırlık: Yaklaşık 850kg
Vk-Rpl Yuvarlak Şişe Kavanoz Etiketleme Makinesi

Başvuru: Membranlı etiket veya ürünün çevresel yüzeyine ihtiyaç duyulur.
Sektör: Gıda, ilaç, kozmetik, elektronik, metal, plastik ve diğer endüstrilerde yaygın olarak kullanılmaktadır.
Başvuru: PET yuvarlak şişe etiketleme, plastik şişe, konserve gıda vb. etiketleme.

Uygun etiket uzunluğu (mm): 20mm ~ 314mm
Uygulanabilir Etiket genişliği (destek kağıdı genişliği / mm): 15mm ~ 150mm
Uygulanabilir Ürünlerin çapı (yuvarlak şişe için) ve yüksekliği: çap: φ25mm ~ φ100mm
Yükseklik: 25mm ~ 230mm
Uygulanabilir standart rulo çapı (mm): φ280mm
Uygulanabilir standart rulo çapı (mm): φ76mm
Etiketleme doğruluğu (mm): ± 1mm
Standart hız (m/dak): Servo: 5 ~ 25m/dak Adımlama: 5 ~ 19m/dak
Etiketleme hızı (adet/dak): Adımlama: 30 ~ 80 adet/dak (şişe ve etiket boyutu ile)
Servo: 40 ~ 120 adet/dak
Konveyör hızı (m/dak): 5 ~ 25m/dak
Ağırlık (kg): Yaklaşık 185kg
Frekans (HZ): 50HZ Voltaj (V): 220V
Güç (W): 530W (çekiş step motoru) 980W (çekiş servosu)
Cihaz boyutları (mm) (U × G × Y): 1950 mm × 1100 mm × 1300 mm


Ahşap Kasa Paketleme:

Dolum Hattı İçin Satış Sonrası Hizmet

Ana parçaların kalitesini 12 ay içinde garanti ediyoruz. Ana parçalar bir yıl içinde yapay faktörler olmadan bozulursa, bunları sizin için ücretsiz olarak sağlayacağız veya bakımını yapacağız. Bir yıl sonra, parçaları değiştirmeniz gerekirse, size en iyi fiyatı sağlayacağız veya sitenizde bakımını yapacağız. Kullanımla ilgili teknik bir sorunuz olduğunda, size destek olmak için elimizden geleni yapacağız.
Kalite garantisi :
Üretici, malların Üreticinin en iyi malzemelerinden, birinci sınıf işçilikle, yepyeni, kullanılmamış ve bu sözleşmede belirtilen kalite, özellik ve performansa her bakımdan uygun olduğunu garanti eder. Kalite garanti süresi B/L tarihinden itibaren 12 aydır.
Üretici, kalite garanti süresi boyunca sözleşme konusu makinelerin onarımını ücretsiz yapacaktır.
Arızanın Alıcının uygunsuz kullanımı veya başka sebeplerden kaynaklanması halinde üretici, tamir parçalarının maliyetini tahsil edecektir.
Kurulum ve Hata Ayıklama:
Satıcı, kurulum ve hata ayıklamayı öğretmek için mühendislerini gönderecektir. Maliyet alıcıya ait olacaktır (gidiş-dönüş uçak biletleri, alıcı ülkede konaklama ücretleri). Alıcı, kurulum ve hata ayıklama için kendi site yardımını sağlamalıdır.









